
EOT Overhead Crane End Carriage Endcarriage
Tip: tip ta 'trave wieħed u ġarr ta' tarf ta 'trave doppju
Sors tal-Enerġija: 3 Fażi 380V 50hz (Jista 'jiġi personalizzat)
Veloċità Salib: 20, 30, 45, 60m/min (Jista 'jiġi personalizzat)
Qawwa tal-Mutur: 0.3, 0.4, 0.75, 1kw
Deskrizzjoni tal-Prodott

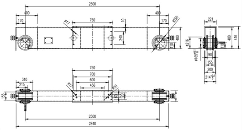
Il-karru tat-tarf tal-krejn overhead EOT huwa komponent strutturali u tas-sewqan kritiku ddisinjat biex isostni u jiggwida l-krejn tul ir-raġġ tar-runway b'prestazzjoni ta 'vjaġġar lixxa, stabbli u preċiża. Inġinerija bi pjanċi ta' l-azzar ta'-qawwa għolja, assemblaġġi ta' roti ta' preċiżjoni-makna, u sistemi ta' sewqan ottimizzati, din is-soluzzjoni ta' krejn fuq l-għoli tal-karru tat-tarf tiżgura durabilità fit-tul-u kapaċità ta' ġarr ta' tagħbija-eċċezzjonali f'ambjenti ta' rfigħ industrijali. Kemm jekk għal installazzjonijiet ġodda jew biex jissostitwixxu assemblaġġi qodma, l-unitajiet tal-krejn tal-karru tat-tarf tagħna joffru prestazzjoni affidabbli u kompatibilità ma 'diversi konfigurazzjonijiet tal-karru tat-tarf tal-krejn EOT.
Din is-serje endcarriage tadotta disinn modulari, sewqan ikkontrollat tal-frekwenza-, roti mnaqqsa tal-ħoss-, u trattament avvanzat tal-wiċċ għar-reżistenza għall-korrużjoni, li jagħmilha adattata għall-impjanti tal-manifattura, imħażen, imtieħen tal-azzar, workshops, u linji tal-immaniġġjar tal-materjal-. Kull unità hija mmanifatturata skont standards internazzjonali b'kontroll strett tal-kwalità biex tiggarantixxi vjaġġar bla xkiel, manutenzjoni mnaqqsa u ħajja ta 'servizz estiża.
Parametri tal-Produzzjoni
|
Mudell tal-ġarr tat-tarf |
Applikazzjoni tal-mudell tal-krejn |
Tubu tal-azzar rettangolari |
Daqs tar-rota |
Qawwa tal-mutur |
|
L125-15 |
1t-7.5m |
150*150*6 |
W125*60 |
0.3KW * 2 |
|
L125-20 |
1t-11.5m |
|||
|
L125-25 |
1t-16.5m |
|||
|
L160-15 |
2t/3t-7.5m |
150*200*8 |
W160*70 |
0.4KW * 2 |
|
L160-20 |
2t/3t-11.5m |
|||
|
L160-25 |
2t/3t-16.5m |
|||
|
L160-30 |
2t/3t-22.5m |
|||
|
L160-35 |
2t/3t-28.5m |
|||
|
L200-20 |
5t-11.5m |
150*250*8 |
W200*70 |
0.4KW * 2 0.75KW * 2 |
|
L200-25 |
5t-16.5m |
|||
|
L200-30 |
5t-22.5m |
|||
|
L200-35 |
5t-28.5m |
|||
|
L250-20 |
10t-11.5m |
200*250*8 200*300*8 |
W250*80 |
0.75KW * 2 1.1KW * 2 1.5KW * 2 |
|
L250-25A |
10t-16.5m |
|||
|
L250-30A |
10t-22.5m |
|||
|
L250-35A |
10t-28.5m |
|||
|
L250-25B |
16t-16.5m |
|||
|
L250-30B |
16t-22.5m |
|||
|
L250-35B |
16t-28.5m |
|||
|
L315-30 |
20t-16.5m |
200*400*8 |
W315*90 |
1.5KW * 2 |
|
L315-35 |
20t-28.5m |
Dettalji tal-Prodott


1. Struttura u Disinn
● Tip ta' Pinion Miftuħ (Tip A)
Karatteristiċi ta 'pinion estern u konnessjoni tal-ger, fejn il-pinion huwa espost barra l-gearbox.
Il-partijiet mekkaniċi huma aktar faċli biex jispezzjonaw, jinżammu u jinbidlu.
Disinn tradizzjonali użat ħafna fil-krejnijiet standard-overhead duty.
● Tip Ewropew (Tip B) - Disinn tax-Xaft vojt
Juża mutur immirat ta 'xaft vojt, fejn ix-xaft tal-output tal-mutur jgħaqqad direttament mal-fus tar-rota permezz ta' mekkaniżmu kompatt u magħluq.
Dan id-disinn modern ta' stil Ewropew-inaqqas in-numru ta' partijiet mekkaniċi esposti, u jirriżulta f'daqs aktar kompatt u tħaddim aktar bla xkiel.
Jipprovdi prestazzjoni ogħla u livell ta 'storbju mnaqqas, adattat għal sistemi ta' rfigħ avvanzati.
2. Dmir tax-Xogħol
Iż-żewġ tipi huma mmarkati bħala M5, iżda l-karatteristiċi tal-prestazzjoni tagħhom huma differenti:
● Tip ta 'Pignon Miftuħ
Klassi M5 iżda aktar adattata għal applikazzjonijiet industrijali ta' dmir-ġenerali.
Struttura ta 'trasmissjoni aktar sempliċi.
● Tip Ewropew
Ukoll M5, iżda minħabba effiċjenza mekkanika ottimizzata u vibrazzjoni aktar baxxa, joffri:
□ Tmexxija aktar stabbli
□ Ħajja ta' servizz itwal
□ Frekwenza ta' manutenzjoni aktar baxxa
3. Materjal tar-rota
● Tip ta 'Pignon Miftuħ
Juża 45 # roti tal-azzar.
B'saħħtu u ekonomiku, ideali għal veloċitajiet standard u ambjenti tax-xogħol komuni.
● Tip Ewropew
Juża azzar liga 42CrMo, li jipprovdi:
□ Ebusija ogħla u saħħa tat-tensjoni
□ Reżistenza aħjar għall-ilbies
□ Reżistenza mtejba għall-għeja tat-tidwir
□ Ideali għal-duty cycles u tħaddim fit-tul-
Il-materjal huwa aktar fit-tul, speċjalment għal travi ta' ġiri ta'-veloċità għolja u ta' travi li jivvjaġġaw-tagħbija.
4. Gear Motor
● Tip ta 'Pignon Miftuħ
Mgħammar b'mutur ta 'ger helical b'ingaġġ ta' ger estern.
□ Manutenzjoni faċli
□ Partijiet ta' sostituzzjoni affordabbli
● Tip Ewropew
Juża mutur ta' l-irkaptu helical ta' assi paralleli + sewqan dirett tax-xaft vojt.
□ Ħsejjes aktar baxxi: il-ħoss huwa iżolat ġewwa l-gearbox issiġillat
□ Effiċjenza ogħla tat-trażmissjoni
□ Struttura aktar kompatta
□ Konsum ta' enerġija aktar baxx
□ Bidu u waqfien aktar bla xkiel, speċjalment meta mqabbla ma 'inverter tal-frekwenza
Din il-konfigurazzjoni hija adottata b'mod wiesa' fi krejnijiet ta' stil Ewropew-għall-preċiżjoni u l-lonġevità tagħha.

Applikazzjoni tal-Produzzjoni

Is-sistema tal-krejn tintuża ħafna fi pjattaformi offshore, imtieħen tal-azzar, impjanti tal-minjieri u stazzjonijiet tal-idroenerġija, fejn krejnijiet overhead affidabbli, krejnijiet gantry u krejnijiet EOT huma essenzjali għall-irfigħ ta 'tqal u l-immaniġġjar tal-materjal. Fuq pjattaformi lil hinn mix-xtut, it-tagħmir jiżgura irfigħ sikur f'ambjenti tal-baħar korrużivi, filwaqt li fl-imtieħen tal-azzar isostni operazzjonijiet ta'-temperatura għolja,-qawwa għolja. Is-siti tal-minjieri jiddependu fuq l-istruttura robusta tat-tagħmir tal-irfigħ industrijali biex jittrasportaw il-minerali, il-makkinarju, u l-materjali tal-manutenzjoni, u l-istazzjonijiet tal-idroenerġija jużaw krejnijiet heavy-duty għall-installazzjoni tat-turbini, il-manutenzjoni tal-ġeneraturi, u l-immaniġġjar tal--komponenti kbar. Dawn l-ambjenti jitolbu prestazzjoni stabbli, kapaċità ta' ġarr ta' tagħbija-għoli, u ħajja twila ta' servizz.
F'-bini tal-vapuri fuq skala kbira, workshops tal-manifattura, u siti tal-kostruzzjoni, il-karrijiet tat-tarf tal-krejn huma integrati fi krejnijiet tal-pont u krejnijiet overhead tal-workshops biex jippermettu moviment preċiż, bla xkiel u effiċjenti ta 'strutturi tal-azzar, forom, u materjali tal-inġinerija. It-tarzni jeħtieġu krejnijiet -gantry span twal u krejnijiet tal-baħar għall-assemblaġġ tal-buq u l-irfigħ tal-komponenti, filwaqt li fabbriki tal-fabbrikazzjoni jiddependu fuq sistemi ta 'krejn EOT affidabbli għal-loġistika tal-linja ta' produzzjoni. Fuq siti ta 'kostruzzjoni, it-tagħmir jappoġġja l-moviment ta' elementi tal-konkrit, travi tal-azzar, u strutturi prefabbrikati, itejjeb l-effiċjenza u jnaqqas l-intensità tax-xogħol. Dawn l-applikazzjonijiet jenfasizzaw mobilità għolja, mekkaniżmi ta 'vjaġġar stabbli, u rekwiżiti ta' manutenzjoni baxxi.
Fil-portijiet, tarzni tal-kontejners, u ċentri tal-loġistika, is-sistema tal-krejnijiet taħdem bi krejnijiet tal-port, krejnijiet tal-gantry tal-kontejners, u krejnijiet tal--immaniġġjar tal-materjal biex tappoġġja t-tagħbija, il-ħatt u l-operazzjonijiet ta 'distribuzzjoni veloċi tal-merkanzija. Il-prestazzjoni preċiża tal-ivvjaġġar tagħha tiżgura t-tqandil bla xkiel ta 'oġġetti goffi u kontenituri tqal. Barra minn hekk, is-sistema hija applikata f'bażijiet ta 'loġistika militari għall-irfigħ tal-vetturi, il-manutenzjoni tat-tagħmir u l-iskjerament ta' makkinarju tqil, fejn l-affidabbiltà, is-sigurtà u d-durabilità huma kruċjali. Is-sistemi tal-ġarr tat-tarf ta'-prestazzjoni għolja, flimkien ma' mekkaniżmi ta' rfigħ avvanzati, jipprovdu operazzjoni stabbli f'ambjenti diversi, u jiżguraw fluss ta' materjal effiċjenti f'applikazzjonijiet ta' loġistika u difiża eżiġenti.
Tbaħħir u Ippakkjar



FAQ
It-tags Popolari: eot overhead crane endcarriage endcarriage, iċ-Ċina eot overhead crane endcarriage endcarriage manifatturi, fornituri
Tista 'Tħobb ukoll
Ibgħat l-inkjesta




